Honda Motorrad Ersatzteile Versand
Ihr Konto
Kasse
Warenkorb
Startseite
»
Ersatzteile
»
NV750C21 (KO)
Kategorien
Honda Original Kettensatz
Honda Original Lenkkopflager
Repsol Öl, Pflegemittel
Werkstatt-Handbuecher & Literatur
Werkstatt & Co
Schmiermittel & Öl
Restposten
Suche Reifen
Teile suchen
Geben Sie hier Ihre
Fahrgestellnummer
ein.
Mehr über...
Versandkosten
Kontakt
Datenschutz
Unsere AGB's
Impressum
Informationen
Händler ?
FAQ
Motorradhelme
Fahrgestellnummer
Bewertungen
Vielen Dank ! ! ! Habe mich ehrlich gefreut das ich dieses ..
Angebote
mehr Angebote
Hilfe
NV750C21 (KO)
Alle Gruppen
Motor
Rahmen
Zubehör
Produkt
Zylinderkopfdeckel
Zylinderkopf (vorne)
Zylinderkopf (hinten)
Nockenwelle/ Ventil
Nockenwellenkette/ Spannvorrichtung
Zylinder
Kurbelgehäuseabdeckung
Kupplung
Impulsgeber/ Anlasserkupplung
Kurbelgehäusedeckel, Links/ Generator
Wasserpumpe
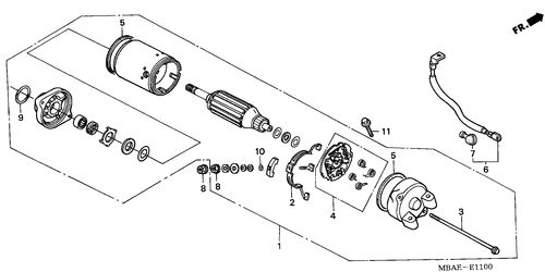
Anlasser
Ölfilter/Ölpumpe
Kurbelgehäuse
Kurbelwelle/ Kolben
Getriebe
Schalttrommel
Wasserrohr
Vergaser (komplinks)
Vergaser (einzelteile)
Scheinwerfer
Messgeraet
Schalter/ Kabel (nv750c2)
Vorderradbremse
Rohrgriff/ Obere Bruecke
Lenkschaft
Kotfluegel, Vorne
Gabel, Vorne
Vorderrad-bremssattel
Vorderrad
Bremsplatte, Hinten
Hinterrad
Kraftstofftank/ Kraftstoffpumpe
Sitz
Seitenabdeckung
Luftfilter
Zusatz-luftfilter
Lufteinspritzsteuerung Ventil
Abgas-schalldämpfer
Pedal
Stufe
Staender
Schwinge
Kissen, Hinten
Kotfluegel, Hinten
Blinker
Heckleuchte (vt750c/ C2/ Nv750c2)
Batterie
Kabelbaum
Rahmenkoerper
Werkzeuge
Kuehler
Warnetikett
Marke
Dichtung Satz A
Dichtung Satz B
NV750C21
Lackstift
Sie können als Gast (bzw mit Ihrem derzeitigen Status) keine Preise sehen
exkl.
Versandkosten
Willkommen zurück!
eMail-Adresse:
Passwort:
Versandkosten
D - 6,99 €
EU - 17,99 €
(siehe
AGBs
)
Tuesday, 27. January 2026
Parse Time: 2.287s