Honda Motorrad Ersatzteile Versand
Ihr Konto
Kasse
Warenkorb
Startseite
»
Ersatzteile
»
XL1000VA (6EK)
Kategorien
Honda Original Kettensatz
Honda Original Lenkkopflager
Repsol Öl, Pflegemittel
Werkstatt-Handbuecher & Literatur
Werkstatt & Co
Schmiermittel & Öl
Restposten
Suche Reifen
Teile suchen
Geben Sie hier Ihre
Fahrgestellnummer
ein.
Mehr über...
Versandkosten
Kontakt
Datenschutz
Unsere AGB's
Impressum
Informationen
Händler ?
FAQ
Motorradhelme
Fahrgestellnummer
Bewertungen
Originalware ! Schneller Versand ! Toller Shop ! 5 Sterne ! ..
Angebote
mehr Angebote
Hilfe
XL1000VA (6EK)
Alle Gruppen
Motor
Rahmen
Zubehör
Produkt
Zylinderkopfdeckel
V. Zylinderkopf
Zylinderkopf, Hinten
Nockenwelle/ Ventil
Nockenwellenkette/ Spannvorrichtung
Kurbelgehäuseabdeckung
Wasserpumpe
Kupplung
Impulsgeber/ Anlasserkupplung
Generator
Kurbelgehäusedeckel, Links
Anlasser
Ölpumpe
Kurbelgehäuse
Kurbelwelle/ Kolben
Getriebe
Schalttrommel
Wasserrohr
Drosselklappengehäuse
Scheinwerfer
Messgeraet
Hebelgriff/ Schalter/ Kabel
Vorderradbremse (xl1000v)
Verzoegerungsventil (xl1000v)
Rohrgriff/ Obere Bruecke
Lenkschaft
Kotfluegel, Vorne
Gabel, Vorne (xl1000v)
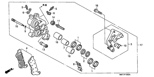
Vorderrad-bremssattel (rechts)(xl1000v)
Vorderrad-bremssattel (links)
Vorderrad
Rear Brake Mastercylinder (xl1000v)
Proportioning Controlvalve (xl1000v)
Hinterrad-bremssattel (xl1000v)
Hinterrad
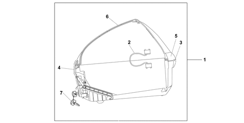
Kraftstofftank
Sitz
Sitzverkleidung/ Seitenabdeckung
Luftfilter
Bypass Control Solenoidvalve
Regelventil Lufteinspritzung
Abgas-schalldämpfer
Pedal
Stufe
Staender
Schwinge
Kissen, Hinten (xl1000v)
Kotfluegel, Hinten
Blinker
Heckleuchte
Batterie
Kabelbaum (xl1000v)
Rahmenkoerper (xl1000v)
Werkzeuge
Kuehler
Oberer Windlauf
Unterer Windlauf
Warnetikett (xl1000va/ Vaa)
Marke/ Streifen
Kabelbaum
Navi
Navi Att.
08c-rd-01 Handgrip Cement - 20 Gr
Alarmanlage
Div.gepaeckhalter
29l Colour Panel Set - Chevalier Silver Metallioc
29l Colour Panel Set - Pearl Concours Black
Narrow Panninr Pa
29l Pannier Decoration Panel Set
Meter Panel
Pannier Stay Set
Narrow Pannier Set
35l Pannier Set Chevalier Silver Metallic
35l Pannier Set Pearl Concours Black
35l Pannier Barley Yellow Metallic
Top Box 45l Unpainted
Top Box 45l Chevalier Silver Metallic
Top Box 45l Pearl Concours Black
45l Topbox Barley Yellow Metallic
45l Top Box Barley Yellow
45l Topbox Vernier Grey Metallic
45l Top Box Chevalier Silver Met
Div.gepaeckhalter
Innentaschen Koffer
Innentaschen Koffer
Innentaschen Koffer
Gepaeckhalter Schwarz
Main Stand
Motorradschloss
Motorradschloss
Top Box Mat
Kit Mat And Strap
Faltgarage
Pannier Cover Set
Top Box Cover
Side Fairing Accent
Verkleidungs-teile
Top Box Pillion Pad (top)
Top Box Pillion Pad (low)
Tank Protection Cover
Pannier Scuff Pad Set A
Pannier Scuff Pad Set B
Verkleidungs-teile
Att. Kit Heated Grip
Griffheizung,wicklinks360
Pillion Armrest Set
Rear Fog Light Kit
Fog Light Controller
12v Dc Socket
Top Box Bracket
XL1000VA
Honda Xl 1000 V Varadero Alu-rack Silber Bj. 1999-2006
Sie können als Gast (bzw mit Ihrem derzeitigen Status) keine Preise sehen
exkl.
Versandkosten
Honda Xl 1000 V Varadero Alu-rack Schwarz Bj. 2007-2009
Sie können als Gast (bzw mit Ihrem derzeitigen Status) keine Preise sehen
exkl.
Versandkosten
Tank-schutzbÜgel Gross Varadero
Sie können als Gast (bzw mit Ihrem derzeitigen Status) keine Preise sehen
exkl.
Versandkosten
Honda Batterie Ladegerät
Sie können als Gast (bzw mit Ihrem derzeitigen Status) keine Preise sehen
exkl.
Versandkosten
Honda Xl 1000 V Varadero Alu-rack Silber Bj. 2007-2009
Sie können als Gast (bzw mit Ihrem derzeitigen Status) keine Preise sehen
exkl.
Versandkosten
Honda Xl 1000 V Varadero Schutzbügel Schwarz Bj. 2007-2009
Sie können als Gast (bzw mit Ihrem derzeitigen Status) keine Preise sehen
exkl.
Versandkosten
Lackstift
Sie können als Gast (bzw mit Ihrem derzeitigen Status) keine Preise sehen
exkl.
Versandkosten
Honda Xl 1000 V Varadero Quick-lock Kofferträger Bj. 2007-2009
Sie können als Gast (bzw mit Ihrem derzeitigen Status) keine Preise sehen
exkl.
Versandkosten
Honda Xl 1000 V Varadero Quick-lock Evo-kofferträger Bj. 2007-2009
Sie können als Gast (bzw mit Ihrem derzeitigen Status) keine Preise sehen
exkl.
Versandkosten
Honda Xl 1000 V Varadero Quick-lock Kontur-kofferträger Bj. 2007-2009
Sie können als Gast (bzw mit Ihrem derzeitigen Status) keine Preise sehen
exkl.
Versandkosten
Honda Xl 1000 V Varadero Quick-lock Kofferträger Ohne Adapterkit Bj. 2001-2006
Sie können als Gast (bzw mit Ihrem derzeitigen Status) keine Preise sehen
exkl.
Versandkosten
Honda Xl 1000 V Varadero Schutzbügel Schwarz Bj. 2004-2006
Sie können als Gast (bzw mit Ihrem derzeitigen Status) keine Preise sehen
exkl.
Versandkosten
Willkommen zurück!
eMail-Adresse:
Passwort:
Versandkosten
D - 6,99 €
EU - 17,99 €
(siehe
AGBs
)
Saturday, 07. February 2026
Parse Time: 0.839s